Published:2009/7/13 21:22:00 Author:May | From:SeekIC

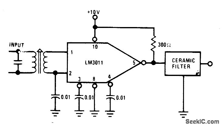
National LM3011 gain block provides three differential stages and current-source output suitable for driving 300-ohn,ceramic filter in IF amplifier of FM receivel,Circuit provides 60 dB of power gain to matched load.-''Audio Handbook,''National Semiconductor,Santa Clara,CA,1977,p 3-11-3-12.
Reprinted Url Of This Article:
http://www.seekic.com/circuit_diagram/Basic_Circuit/CERAMIC_FILTER_DRIVE.html
Print this Page | Comments | Reading(3)
Code: