Published:2009/7/1 4:15:00 Author:May | From:SeekIC

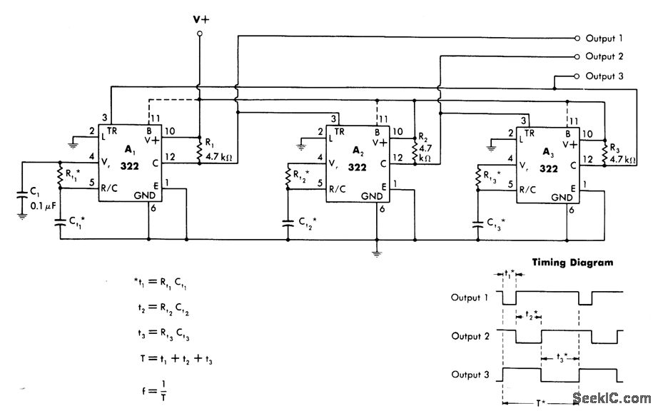
Gross-connected 322 mono MVBRs. operating as astables、are interconnected so individual timing periods are generated in sequence as shown.Total period T is sum of three individual periods, after which cycle repeats itseff. Chain may be extended further if desired. Useful when prescribed sequence of timing events is required. Equations glve values of R and C for timing periods ranging from 10 μS to several minutes-W G .Jung、 IC Timer Cookbook. Howard W,Sams.Indanaplis.IN.1977.p125-128.
Reprinted Url Of This Article:
http://www.seekic.com/circuit_diagram/Basic_Circuit/CHAINED_ASTABLES.html
Print this Page | Comments | Reading(3)
Code: