Published:2009/7/10 21:04:00 Author:May | From:SeekIC

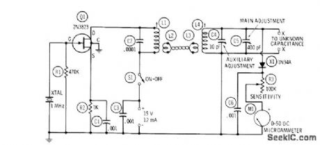
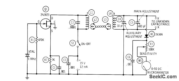
Uses 1-MHz crystal oscillator with fixed-tuned tank circuit L1-C2 link-coupled to resonant measuring circuit consisting of L4, C4, C5, and unknown capacitance. Simple RF voltmeter is connected across measuring circuit as resonance indicator. 04 and C5 have calibrated dials reading directly in picofarads. L1 is Miller 20A224RBI slugtuned unit adjusted to 250 μH. L4 is Miller 41A685CBI adjusted to 60 pH. Links L2 and L3 are 2turnseachJfo use, close S1, set C5 to maximum, and adjust C4 for peak deflection of Ma.Connect unknown capacitance to XX with shortest possible leads, retune CS to resonance, then subtract this capacitance reading of C5 from maximum reading to get value of un known capacitor.-R. P. Tumer, FET Circuits, Howard W.Sams, Indianapolis, IN, 1977,2nd Ed,p 140-142.
Reprinted Url Of This Article:
http://www.seekic.com/circuit_diagram/Basic_Circuit/CHECKING_BY_SUBSTITUTION.html
Print this Page | Comments | Reading(3)
Code: