Published:2009/7/10 23:29:00 Author:May | From:SeekIC

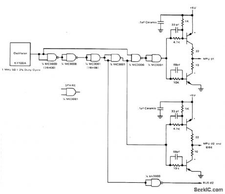
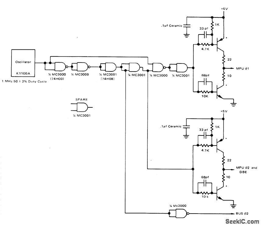
Produces nonoverlapping complementary 5-V clock outputs as required for phase 1 and phase 2 clock inputs of microprocessor. Oscillator can be any source having maximum frequency of 1 MHz with TTL Ievels and 50% duty cycle, such as Motorola K1100A. MC3000 and MC3001 TTL gates are chosen for their speed and drive characterlstics.All transistors are MPQ6842.- Microprocessor Applications Manual (Motorola Series in Solid-State Electronics), McGraw-Hill, New York, NY 1975, p 4-1-4-6.
Reprinted Url Of This Article:
http://www.seekic.com/circuit_diagram/Basic_Circuit/CLOCK_FOR_MC6800.html
Print this Page | Comments | Reading(3)
Code: