Published:2009/7/12 20:32:00 Author:May | From:SeekIC



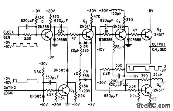
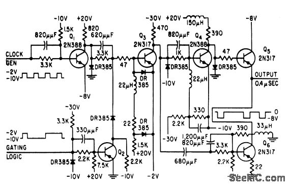
Provides effective gating with negligible insertion loss. Used as part of clock driver for developing and testing large digital computers.-S.Schoen,Transisitors Provide Computer Clock Signals.Electronics.32:9,p70-72
Reprinted Url Of This Article:
http://www.seekic.com/circuit_diagram/Basic_Circuit/CLOCK_GATE.html
Print this Page | Comments | Reading(3)
Code: