Published:2009/7/6 8:59:00 Author:May | From:SeekIC

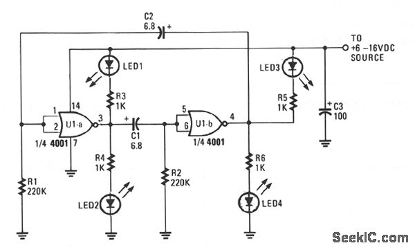
Uses a low cost CMOS IC to turn four LEDs on and off at a rate that is set by the values of R1, R2, C1, and C2. The pulse rate for the component values given for R1 and R2 is about one cycle every four seconds. By lowering the values of R1 and R2 to 220 KΩ, the pulse rate increases to 1 Hz. The LEDs flash in pairs, with LED1 and LED4 tuming together for one half of the time period, while LED2 and LED3 are on for the other half. The on/off duration of each pair of LEDs can be increased or decreased by changing the value of one of coupling capacitors C1 or C2. Increasing either capacitor's value by a factor of 10 will also increase the ON time of a pair of the LEDs for about the same factor.
Reprinted Url Of This Article:
http://www.seekic.com/circuit_diagram/Basic_Circuit/CMOS_FLASHER.html
Print this Page | Comments | Reading(3)
Code: