Published:2009/7/20 22:27:00 Author:Jessie | From:SeekIC

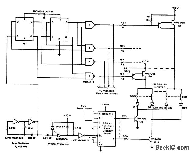
CMOS to 4-digit incandescent display interface(Courtesy Motorola Semiconductor Products Inc.).
Reprinted Url Of This Article:
http://www.seekic.com/circuit_diagram/Basic_Circuit/CMOS_to_4_digit_incandescent_display_interface.html
Print this Page | Comments | Reading(3)
Code: