Published:2009/7/11 5:03:00 Author:May | From:SeekIC


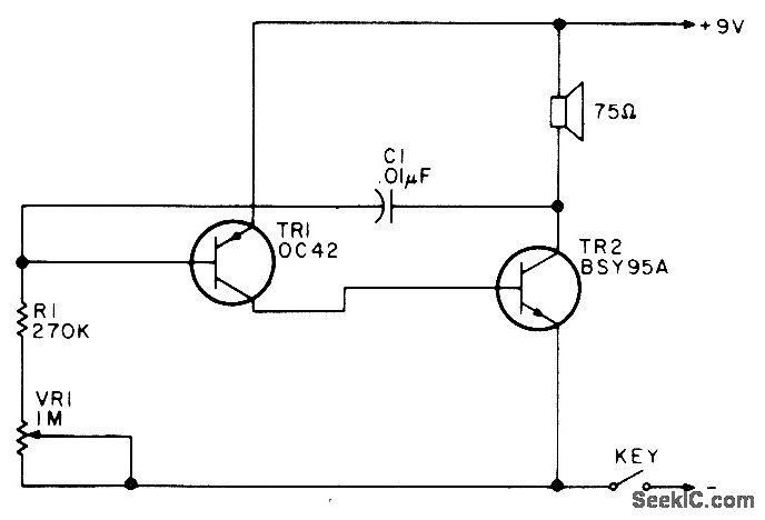
Simple AF oscillator drives loudspeaker for producing audio tone when key in negative supply lead is closed. Adjust VR1 for most pleasing tone.-Circuits, 73 Magazine, July 1975, p 154.
Reprinted Url Of This Article:
http://www.seekic.com/circuit_diagram/Basic_Circuit/CODE_PRACTICE.html
Print this Page | Comments | Reading(3)
Code: