Published:2009/7/10 1:34:00 Author:May | From:SeekIC

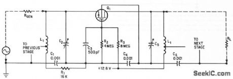
Power gain of 15 db con be obtained from audio up to 200 Mc.-G. G. luettgenau and S. H. Bctmes, Designing With Low-Noise MOS FETs: A Little Different But No Harder, Eletronics, 37:31, p 53-58.
Reprinted Url Of This Article:
http://www.seekic.com/circuit_diagram/Basic_Circuit/COMMON_GATE_MOS_FET.html
Print this Page | Comments | Reading(3)
Code: