Published:2009/7/16 4:05:00 Author:Jessie | From:SeekIC

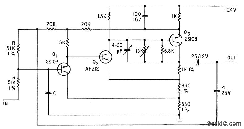
Overshoot is less than 2% at 3 db down for band-width of 20 Mc.-S. Berglund and S. Westerlund, Probes for Plasma Research with Wideband Integrators, Electronics, 35:24, p 44-45.
Reprinted Url Of This Article:
http://www.seekic.com/circuit_diagram/Basic_Circuit/COMPENSATED_R_C_INIEGRATOR.html
Print this Page | Comments | Reading(3)
Code: