Published:2009/7/15 23:12:00 Author:Jessie | From:SeekIC

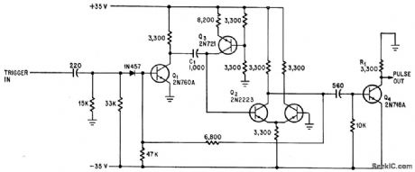
Monostable circuit holds pulse width constant within 0.5% from -65℃. Stages Q1 and Q2 form conventional one-shot. Use of differential amplifier for Q2 stabilizes base voltage for turn-on of Q2 near ground. Constant-current transistor Q3 minimizes effects of small voltage variations, and switching transistor Q4 provides 35-V output pulse with base line at ground.-R. Stevens, One-Shot Multi Produces Constant Pulse Width, Electronics, 34:13, p 74-75.
Reprinted Url Of This Article:
http://www.seekic.com/circuit_diagram/Basic_Circuit/CONSTANT_PULSE_WIDTH__ONE_SHOT.html
Print this Page | Comments | Reading(3)
Code: