Published:2009/7/10 3:41:00 Author:May | From:SeekIC

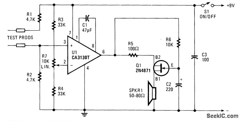
U1 is an op amp used as a comparator. When the test probes are shorted together, resistors R1 and R2 bias the noninverting input to half the supply voltage. The inverting input is biased by a voltage divider that consists of R3, R7, and R4. Resistor R7 is adjusted so that the voltage to the inverting input is lower than that to the noninverting input when the probes are shorted together. With continuity across the probes, U1's output goes high and supplies power to Q1, which is configured as arelaxation oscillator. The output of Q1 is fed to a high-impedance loudspeaker for an audio tone. When the probe is open, the nonin-verting input goes to the negative supply rail via R2. This action forces U1 is output low, which results in no output from the oscillator.
Reprinted Url Of This Article:
http://www.seekic.com/circuit_diagram/Basic_Circuit/CONTINUITY_CHECKER.html
Print this Page | Comments | Reading(3)
Code: