Published:2009/7/14 3:18:00 Author:May | From:SeekIC

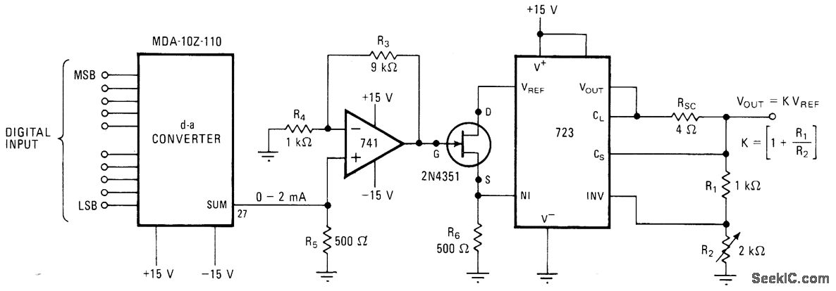
Digital control of D/A converter determines output voltage of regulator, with FET serving as voltage-variable resistor. Applications include generation of sequence of voltages for testing components or equipment. Analog Devices MDA-10Z-110 converter generates 0-2 mA output with resolution determined by 10-bit digital input. 741 opamp transforms current to 0-6 V output for varying output of 723 regulator over range of 7-37 V at 150mA maximum.-C. Viswanath, D-A Converter Controls Programmable Power Source, Electronics, July 21, 1977, p 125.
Reprinted Url Of This Article:
http://www.seekic.com/circuit_diagram/Basic_Circuit/CONTROLLING_REGULATOR_OUTPUT.html
Print this Page | Comments | Reading(3)
Code: