Published:2009/7/16 2:54:00 Author:Jessie | From:SeekIC

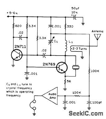
Two high-frequency transistors connected as 20-kHz MVBR provide switching action at same rate for RF oscillations generated in crystal feedback path. Received AM signal induced in tank circuit of C1 will modulate exact switching point of circuit at rate directly proportional to modulation component of received signal. Choose L1, C1, and crystal for frequency desired. If at 10 MHz, standard WWV time broadcasts can be picked up. -I. Math, Math's Notes, CQ, Sept. 1972, p 36-37.
Reprinted Url Of This Article:
http://www.seekic.com/circuit_diagram/Basic_Circuit/CRYSTAL_CONTROLLED_SUPERREGENERATIVE.html
Print this Page | Comments | Reading(3)
Code: