Published:2009/7/6 0:44:00 Author:May | From:SeekIC

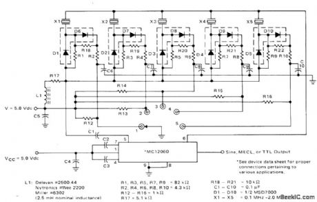
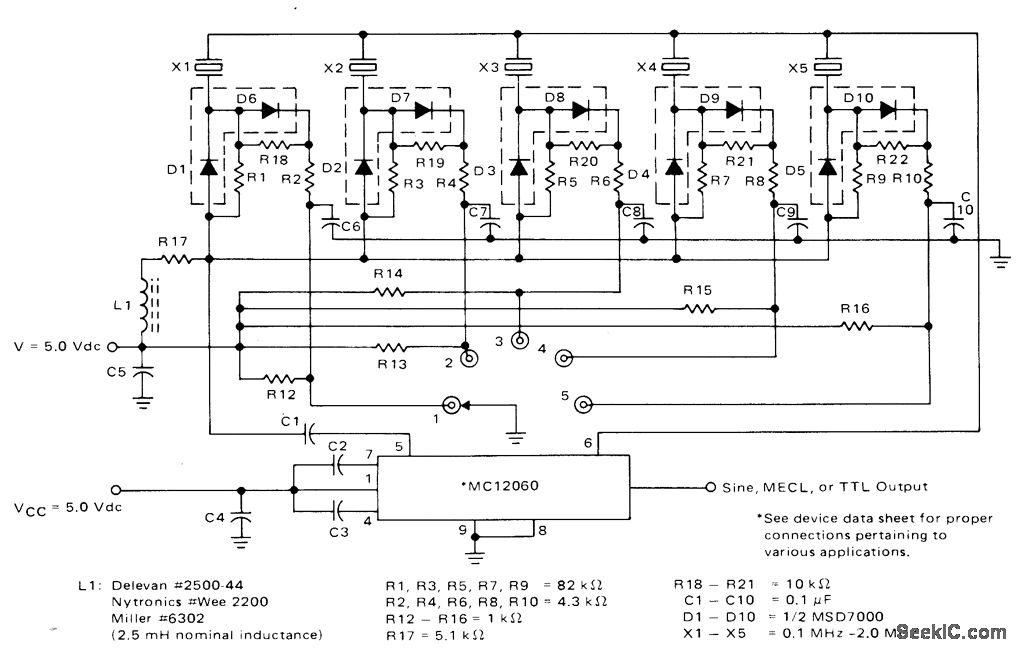
Circuit for Motorola MC12060 crystal oscillator uses diodes as BF switches giving choice of five different crystal frequencies Forward bias is applied to diode associated with desired crystal and reverse bias to diodes for other four crystals. Diode switching eliminates need to run high-frequency signals through mechanical switch, permits control of switching from remote location, and is readily adapted to electronic scanning. Requires only single 5-V supply. Frequency pulling is minimized.-J. Hatchett and R. Janikowski, “Crystal Swtiching Methods for MC12060/MC12062 Oscillator,” Motorola, Phoenix, AZ, 1975, AN-756.
Reprinted Url Of This Article:
http://www.seekic.com/circuit_diagram/Basic_Circuit/CRYSTAL_SWITCHING_DIODES.html
Print this Page | Comments | Reading(3)
Code: