Published:2009/7/14 1:26:00 Author:May | From:SeekIC

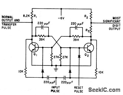
Used in 15-stctge counter. Circuit is conventional, but to economize on current, only first three stages operate with relatively high collector currents; for these, RI and R2 +R3 are 5,600 ohms and transistors are 2N496. Subsequent stages use OC201 transistors and increasingly higher values of collector load, up to 22,000 ohms for 8th stage.-J. Ackroyd, Orbiting Spectrometer Plots Solar X-Rays, Electronics, 34:43, p 55-57.
Reprinted Url Of This Article:
http://www.seekic.com/circuit_diagram/Basic_Circuit/CURRENT_ECONOMIZING_DESIGN.html
Print this Page | Comments | Reading(3)
Code: