Published:2009/7/14 20:51:00 Author:May | From:SeekIC

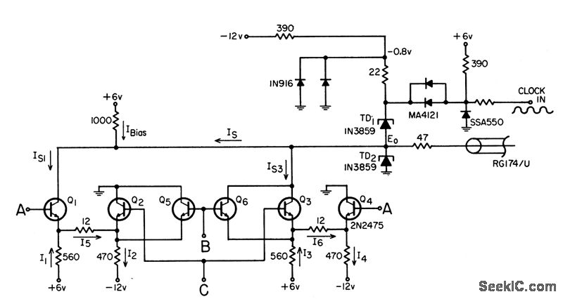
Uses 2N2475 Transistors and 1N3859 tunnel diodes in current mode logic circuit having four inputs that can be energized to provide variety of desired logic functions. Supply of 0.8 v is obtained by passing current through two forward silicon diodes. Narrow 1-nsec clock pulse is generated by snap diode as close as possible to tunnel diode.-R. Glasgal , 500 MHz Transistor-TD Gated Flip Flop, EEE, 14:1, p 98-101.
Reprinted Url Of This Article:
http://www.seekic.com/circuit_diagram/Basic_Circuit/CURRENT_MODE_LOGIC_FOR_500_MC_GATED_FLIP_FIOP.html
Print this Page | Comments | Reading(3)
Code: