Published:2009/7/14 5:21:00 Author:May | From:SeekIC

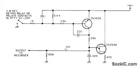
Circuit provides conditioning of routine CW calls or PTTY test messages, as required for recording on end-less-loop cassette. Keyed signal is filtered to remove contact bounce, then used to turn on 2N3906 which gates 2N2646 sawtooth oscillator operating at about 5 kHz when using 0.005-μF gate capacitor; for lower frequency, increase capacitor to 0.01μF.-Cassette-Aided CW and RTTY, 73 Magazine, Sept, 1977, p 122-123.
Reprinted Url Of This Article:
http://www.seekic.com/circuit_diagram/Basic_Circuit/CW_AND_RTTY_ON_CASSETTES.html
Print this Page | Comments | Reading(3)
Code: