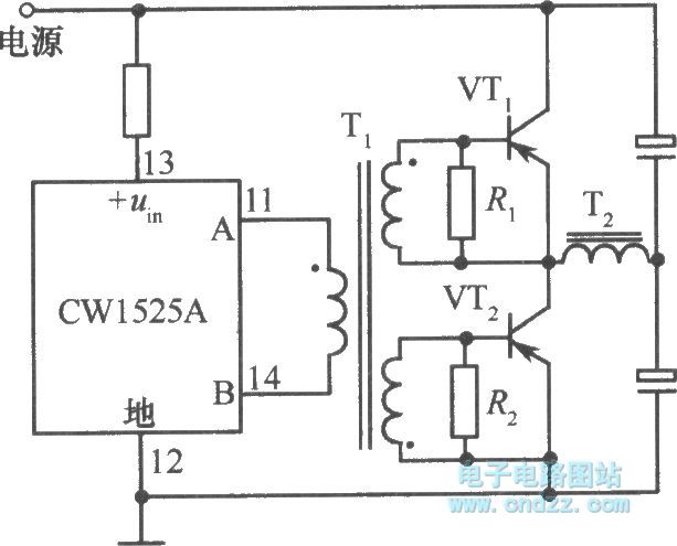
Published:2011/4/22 6:01:00 Author:May | Keyword: driving, bipolar push-pull | From:SeekIC

Reprinted Url Of This Article:
http://www.seekic.com/circuit_diagram/Basic_Circuit/CWl525A_driving_bipolar_push_pull_circuit.html
Print this Page | Comments | Reading(3)
Code: