Published:2013/7/11 2:31:00 Author:muriel | Keyword: Circuit Schematic | From:SeekIC


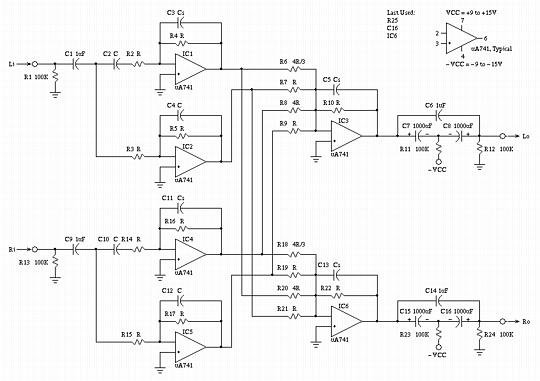
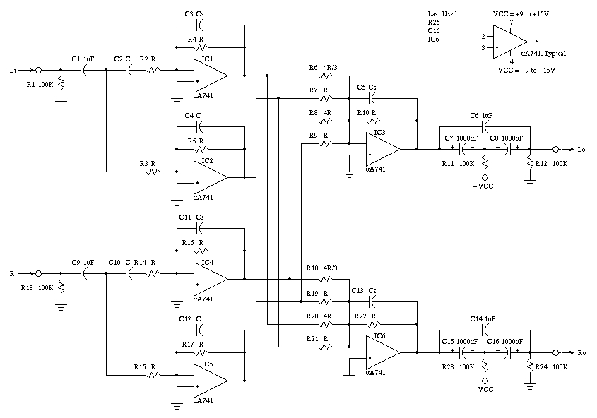
The schematic (which is available in larger size jpeg, PostScript, PDF, or xfig, formats,) is a prototype circuit that implements the required frequency and crossfeed contouring. As a development objective, the low and high frequency contouring and crossfed control elements must not interact-they must be independently adjustable.
Reprinted Url Of This Article:
http://www.seekic.com/circuit_diagram/Basic_Circuit/Circuit_Schematic.html
Print this Page | Comments | Reading(3)
Code: