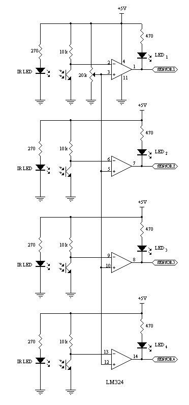
Published:2013/1/28 0:07:00 Author:muriel | Keyword: Infrared sensors , comparators | From:SeekIC

Reprinted Url Of This Article:
http://www.seekic.com/circuit_diagram/Basic_Circuit/Circuit_diagram_of_Infrared_sensors_and_comparators.html
Print this Page | Comments | Reading(3)
Code: