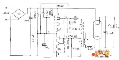
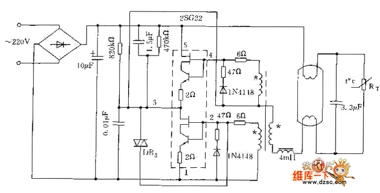
Published:2011/4/1 3:35:00 Author:Nicole | Keyword: Electronic rectifier, united gate transistor | From:SeekIC

Reprinted Url Of This Article:
http://www.seekic.com/circuit_diagram/Basic_Circuit/Circuit_diagram_of_electronic_rectifier_with_united_gate_transistor.html
Print this Page | Comments | Reading(3)
Code: