Published:2009/7/24 13:17:00 Author:Jessie | From:SeekIC


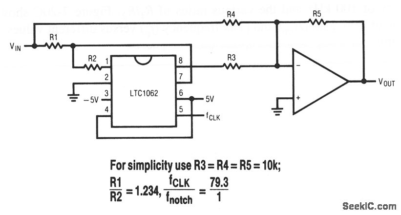
This circuit shows an LTC1062 and an op amp (such as an LT1056) connected to form a notch filter. Figure 7-22B shows the frequency response for a 400-Hz notch filter that uses the following values and equations: R3=R4=R5=10 kΩ, R1/R2=1.234Ω, fCLK/fnotch=79.3/1. Linear Technology Corporation, Linear Applications Handbook, 1990, p. AN24-6.
Reprinted Url Of This Article:
http://www.seekic.com/circuit_diagram/Basic_Circuit/Clock_tunable_notch_filter.html
Print this Page | Comments | Reading(3)
Code: