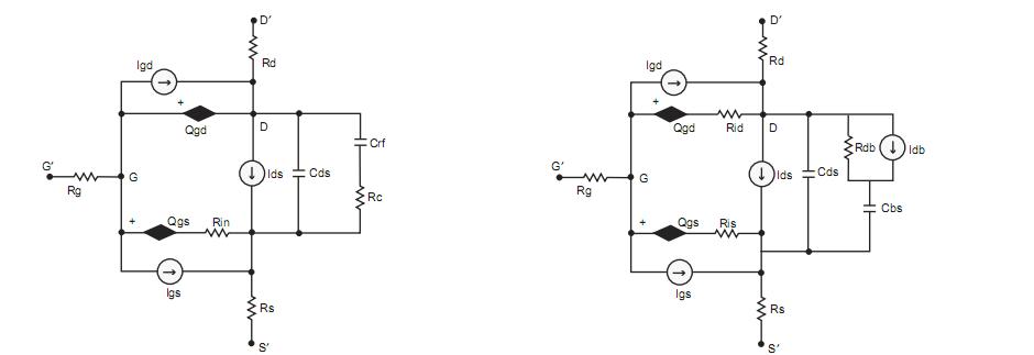
Published:2013/2/20 21:01:00 Author:muriel | Keyword: Converting GaAs FET Model | From:SeekIC

Reprinted Url Of This Article:
http://www.seekic.com/circuit_diagram/Basic_Circuit/Converting_GaAs_FET_Model.html
Print this Page | Comments | Reading(3)
Code: