Published:2009/7/2 22:01:00 Author:May | From:SeekIC

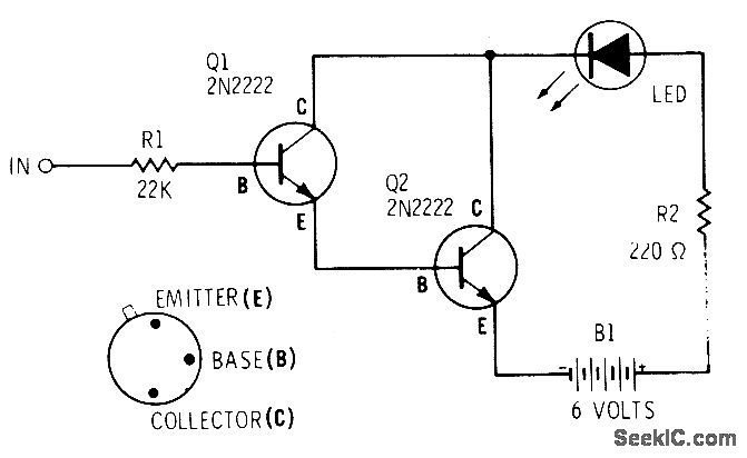
Two-transistor Darlington connection provides very high input impedance that does not load logic circuit being monitored, while driving LED that glows when logic 1 is present at input.-F. M. Mims, Computer Circuits for Experimenters, Radio Shack, Fort Worth, TX, 1974, p 35-43.
Reprinted Url Of This Article:
http://www.seekic.com/circuit_diagram/Basic_Circuit/DARLINGTON_LOGIC_PROBE.html
Print this Page | Comments | Reading(3)
Code: