Published:2009/7/13 3:04:00 Author:May | From:SeekIC

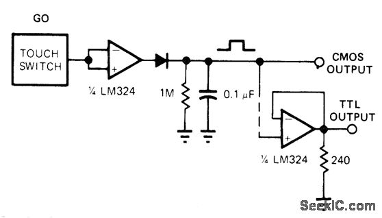
Touch of operator's finger on input button produces CMOS output. Addition of one opamp section gives TTL output. Touch button can be 0.5-inch-square copper-clad pattern on printed-circuit board or machine-screw head having comparable area. For proper switching, circuit must connect to line-operated DC power supply.-R. D. Wood, Replace Bulky Mechanical Switches with Touch Controls, EDN Magazine, April 20, 1978, p 132-133.
Reprinted Url Of This Article:
http://www.seekic.com/circuit_diagram/Basic_Circuit/DATA_ENTRY.html
Print this Page | Comments | Reading(3)
Code: