Published:2009/7/6 7:19:00 Author:May | From:SeekIC

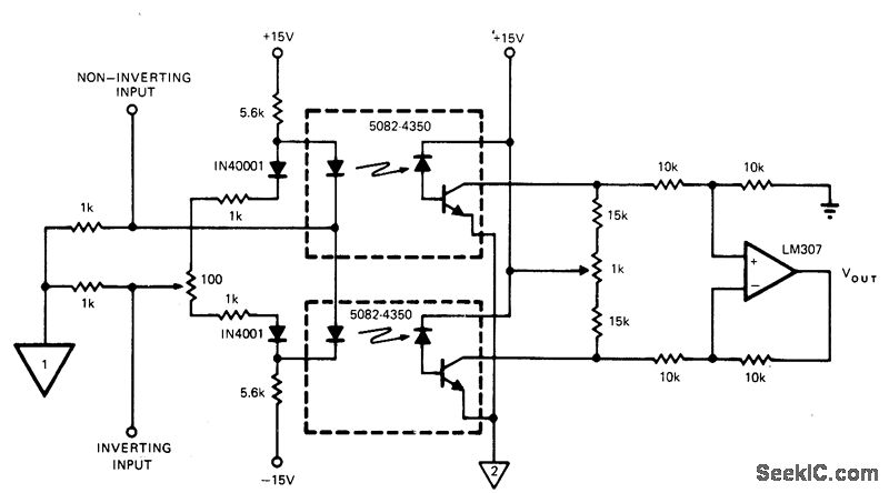
Two isolators operating like push-pull amplifier minimize harmonic generation. When input signal is applied, upward change of incremental gain in one isolator is balanced by downward change in other to give harmonic cancellation. Circuit gain is about unity. Bandwidth is 2 MHz for signal below 2 V p-p. Input signals of either polarity may be applied at either inverting or noninverting input.-H. Sorensen, Opto-Isolator Developments Are Making Your Design Chores Simpler, EDN Magazine, Dec. 20, 1973, p 36-44.
Reprinted Url Of This Article:
http://www.seekic.com/circuit_diagram/Basic_Circuit/DC_ISOLATOR_WITH_HARMONIC_SUPPESSION.html
Print this Page | Comments | Reading(3)
Code: