Published:2009/6/29 3:59:00 Author:May | From:SeekIC

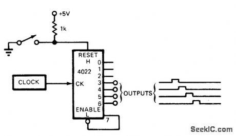
Circuit uses CMOS counteridecoder with any inexpensive 200-Hz or higher clock such as CMOS two-gate oscillator or 555 timer. Signal to be debounced is fed directly to reset input of counter, with no preconditioning. When contact is made by switch, counter unclears and starts counting up. Each bounce of contact resets counter, so it cycles between states 0 and 1 until contacts settle. Counter then delivers clean nonoverlapping pulses to remaining output lines, any of which may be used as conditioned output signal.When counter reaches state 7, it inhibits itself to prevent repeated pulsing of output lines. When switch is opened, cycling action is repeated during bounces, with output never going higher than state 1. After bouncing, counter is held in clear state ready for next closing.—L. T. Hauck, Solve Contact Bounce Problems Without a One-Shot, EDN Magazine, Sept, 5, 1975, p 80 and 82
Reprinted Url Of This Article:
http://www.seekic.com/circuit_diagram/Basic_Circuit/DEBOUNCING_WITH_COUNTER.html
Print this Page | Comments | Reading(3)
Code: