Published:2009/7/15 3:39:00 Author:Jessie | From:SeekIC

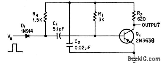
Coupling circuit ahead of input-inverting digital pulse delay prevents C1 from loading driving collector and decreases noise sensitivity.-R. A.Karlin, One-Transistor Multi Delays Digital Pulses, Electronics, 38:17, p 85-86.
Reprinted Url Of This Article:
http://www.seekic.com/circuit_diagram/Basic_Circuit/DECOUPLING_FOR_PULSE_DELAY.html
Print this Page | Comments | Reading(3)
Code: