Published:2009/7/5 23:07:00 Author:May | From:SeekIC

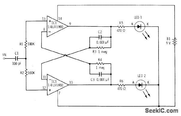
Two sections of LM3900 quad opamp form bistable MVBR for flip-flop having two stable states. When input is grounded momentarily, output of one of opamps swings completely on and turns other opamp off. LED indicates which opamp is on at any particular time. Next grounding of input re verses conditions. Ideal for classroom demonstrations.-F. M. Mims, Integrated Circuit Projects, Vol. 5, Radio Shack, Fort Worth, TX, 1977, 2nd Ed., p 30-37.
Reprinted Url Of This Article:
http://www.seekic.com/circuit_diagram/Basic_Circuit/DEMONSTRATION_FLIP_FLOP.html
Print this Page | Comments | Reading(3)
Code: