Published:2009/7/13 4:40:00 Author:May | From:SeekIC

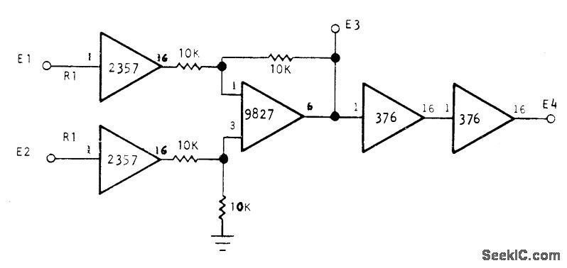
Circuit converts transmission parameter of spectrophotometer to more useful density parameter, which in turn can be converted to exposure parameter. Optical Electronics 2357 opamps at input provide 90-dB dynamic range for DC to 1 kHz or40-dB range for DC to 100 kHz, operating basicallyas current amplifiers. 9827 is used as wideband opamp in unity-gain subtracter configuration. Additional 376 opamps are used only for convening to exposure parameter. Use 1000 ohms for R1 with 10-V full-scale inputs.- Conversion of Transmission to Density and Density to Exposure, Optical Electronics, Tucson, AZ, Application Tip 10133.
Reprinted Url Of This Article:
http://www.seekic.com/circuit_diagram/Basic_Circuit/DENSITY_AND_EXPOSURE.html
Print this Page | Comments | Reading(3)
Code: