Published:2009/7/9 3:21:00 Author:May | From:SeekIC

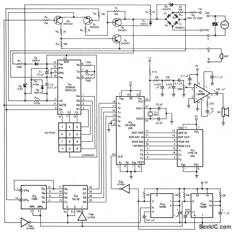
By vocalizing the numbers and symbols of its keypad, the phone provides an audible confirmation that is useful to the blind. The serial-interface, 2 K-byte x 8-bit ROM (IC4) stores programmed sequences of instructions that are executed by the speech-processor chip IC2-manufactured by the General Instrument Corp. When you depress a key, tone-dialing chip IC1 issues the corresponding number of pulses at its DP output. Counter IC5 totals the pulses, and IC6 latches the resulting 4-bit digital word. This word, converted to serial format by IC2, becomes an address that selects a block of memory within IC4.
Reprinted Url Of This Article:
http://www.seekic.com/circuit_diagram/Basic_Circuit/DIALED_PHONE_NUMBER_VOCALIZER.html
Print this Page | Comments | Reading(3)
Code: