Published:2009/7/9 5:05:00 Author:May | From:SeekIC

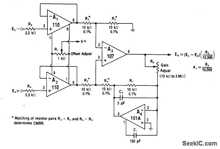
Gainof A3 is varied by modifying feedback returned to R4.A4serves as active attenuator in feedback path presenting constant zero-impedancesource to R4 as required for maintaining goodbalance and high CMRR,With values shown,galn can be varied from unitγ to 300-.W.G.Jung,IC Op-Amp Cookbook,''Howard W,Sams,Indianapolis,IN,1974,ρ 238-239.
Reprinted Url Of This Article:
http://www.seekic.com/circuit_diagram/Basic_Circuit/DIFFERENTIAL_INPUT_VARIABLE_GAIN.html
Print this Page | Comments | Reading(3)
Code: