Published:2009/7/14 4:02:00 Author:May | From:SeekIC

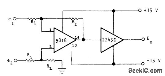
Optical Electronics 9818 opamp and 2245C logamp together give logarithm of differential input voltage or current. Combined transfer function is E0 = K log (R2 /R1 ) (e2- e1). R1 can be zero for differential input current circuit. For unity-gain preamp, R1 and R2 should be 10K. For 1-V full-scale Input, use 10K for R1 and 100K for R2, For l00-mV fullscale input, use 10K for R1 and 1 megohm for R2.- How to Obtain a Differential Logarithm, Optical Electronics, Tucson, AZ, Application Tip 10126.
Reprinted Url Of This Article:
http://www.seekic.com/circuit_diagram/Basic_Circuit/DIFFERENTIAL_LOGARITHM.html
Print this Page | Comments | Reading(3)
Code: