Published:2009/7/10 20:56:00 Author:May | From:SeekIC

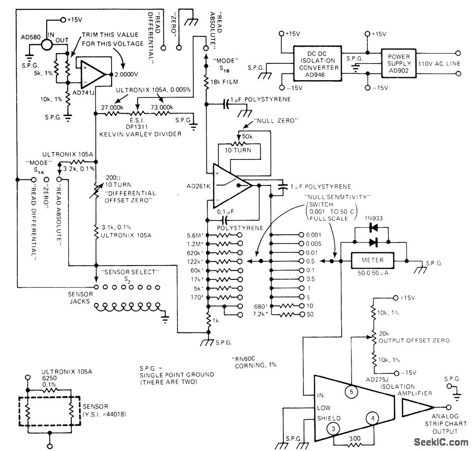
Temperatu re is directly dialed out on five-decade Kelvin-Varley voltage divider, and differences between dialed temperature and that of YS144018 sensor are read directly on meter. Full-seale sensitivity of meter is varied from 0.001 to 50℃ by adjusting gain of AD261K chopper-stabilized null detectorwhich drives both meter and AD275J isolation amplifier used to drive strip-chart recorder. Circuit can also be used to measure temperature difference between two sensors with 100-microdegree accuracy. Article describes other measuring modes as well, includ-ing techniques for measuring 200-nanodegree temperature shifts.-J. Williams, Designer's Guide to: Temperature Measurement, EDN Magazine, May 20, 1977, p 71-77.
Reprinted Url Of This Article:
http://www.seekic.com/circuit_diagram/Basic_Circuit/DIFFERENTIAL_TH_ERMOMETER.html
Print this Page | Comments | Reading(3)
Code: