Published:2009/7/8 1:45:00 Author:May | From:SeekIC

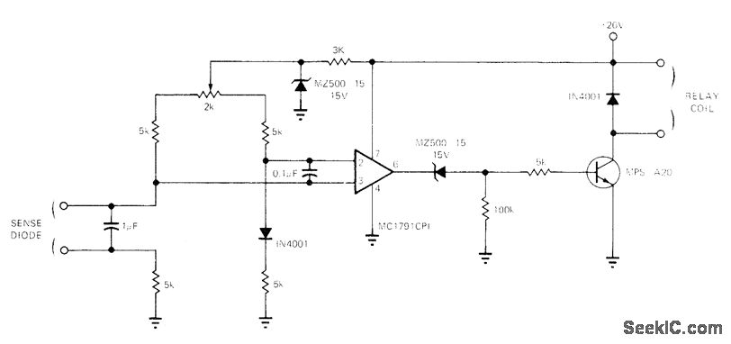
Simple circuit senses difference between temperatures of two objiects, as required for such control applications as turning on fans, turning off heaters, or opecrating mixing valves, inexpensive 1N4001 silicon diode is used as sensor; with two such diodes in resistance bridge as shown, voltage between reference and sensor diodes is applied to pins 4 and 7 of opamp. High-gain opamp is required because bridge output is only about 2mV/℃ of temperature differential. If output requires morethan about 10 mA, buffer transistor is needed.-J. Barnes, Differential-Tempera-ture Sensor is Very Inexpensive, EDN Magazine, April5, 1973, p 90-91.
Reprinted Url Of This Article:
http://www.seekic.com/circuit_diagram/Basic_Circuit/DIFFERENTIAL_TO_10°F.html
Print this Page | Comments | Reading(3)
Code: