Published:2009/7/6 20:57:00 Author:May | From:SeekIC

Reprinted Url Of This Article:
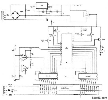
http://www.seekic.com/circuit_diagram/Basic_Circuit/DIGITAL_CLOCK_WITH_ALARM.html
Print this Page | Comments | Reading(3)
Code: