Published:2009/7/10 0:39:00 Author:May | From:SeekIC

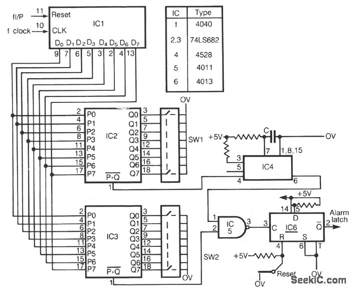
This circuit detects frequency variation above or below preset limits. IC1 is a binary counter clocked at FCLK. The outputs are compared with switch preset values by IC2 and IC3. The input signal, which must be a positive-going pulse, is used to reset IC1. The P greater than Q output of the comparators is at logic 0 for input frequencies below the preset values. Above the preset count, a pulse train is output.IC2, detects a low input by supplying the pulse train to a retriggerable monostable, IC4. When the input frequency falls below the preset value in SW1, the monostable is no longer triggered and its output falls to logic 0. IC3 detects the frequency high state SW2, and outputs directly when this occurs. The outputs from both comparators can then be latched as shown, using IC5 and IC6. The clock frequency is related to input and switch values: switch value = FCLK/input. The time constant of IC4 is not critical, but must obviously exceed the maximum input pulse period.
Reprinted Url Of This Article:
http://www.seekic.com/circuit_diagram/Basic_Circuit/DIGITAL_FREQUENCY_WINDOW.html
Print this Page | Comments | Reading(3)
Code: