Published:2009/7/9 4:10:00 Author:May | From:SeekIC

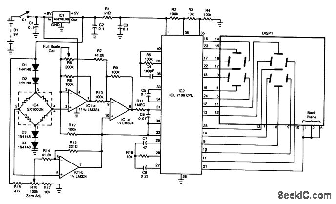
Using an intersil ICL 7106 A/D converter chip and an LED display module, this gauge uses a Sensym Corp. pressure transducer SX100pn (100 psi full scale) in a Wheatstone bridge configuration to drive an op amp (ICla, b, c) translator circuit that supplies a dc voltage to IC2 that is proportional to pressure. R6 sets the gain of ICIA (full-scale sensitivity) and R16 supplies a zero adjustment. IC3 provides regulated + 5 V to power the circuit.
Reprinted Url Of This Article:
http://www.seekic.com/circuit_diagram/Basic_Circuit/DIGITAL_PRESSURE_GAUGE.html
Print this Page | Comments | Reading(3)
Code: