Published:2009/7/13 2:35:00 Author:May | From:SeekIC

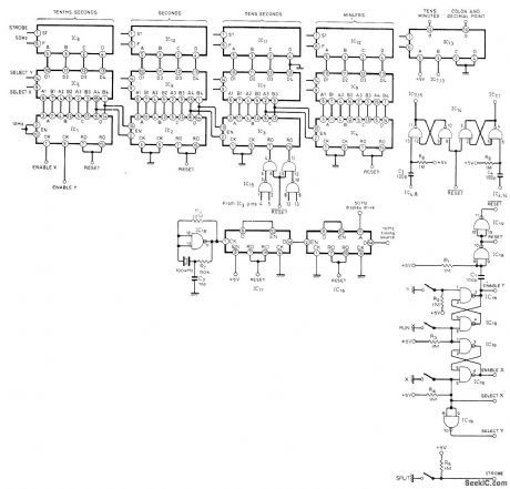
Provides 41/2-digit liquid crystal display for up to 19 min 59.9 s, after which tens of minutes stays at 1 and unit digit recycles from 0 to 9, Gives over 600 hours continuous operation from 5-V mercury battery. Accuracy is determined by 100-kHz crystal oscillator, output of which is divided in two dual decade counters to provide 50-Hz display drive and 10-Hz timing signal. ICs 1, 2, 3, 4, 16, and 17 ai'e CD4518; 5-8 are CD4019; 9-13 are CD4056; 18and 19 are CD4011. Article gives construction and operation details.-P. A. Bimie, Digital EventTimer, Wireless World, Part 1-Dec. 1976, p 32-34 (Part 2-Jan. 1977, p 65-68).
Reprinted Url Of This Article:
http://www.seekic.com/circuit_diagram/Basic_Circuit/DIGITAL_STOPWATCH.html
Print this Page | Comments | Reading(3)
Code: