Published:2009/7/16 3:36:00 Author:Jessie | From:SeekIC

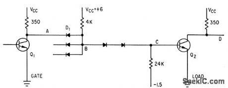
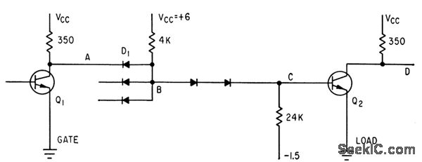
Designed for integrated circuits, arrangement gives unlimited fan-in and high immunity to noise, with 1.7 v logic swing.-A. E. Skoures, Choosing Logic for Microelectronics, Electronics, 36:40, p 23-26.
Reprinted Url Of This Article:
http://www.seekic.com/circuit_diagram/Basic_Circuit/DIODE_COUPLED_NAND_NOR_GATE.html
Print this Page | Comments | Reading(3)
Code: