Published:2009/7/10 23:51:00 Author:May | From:SeekIC

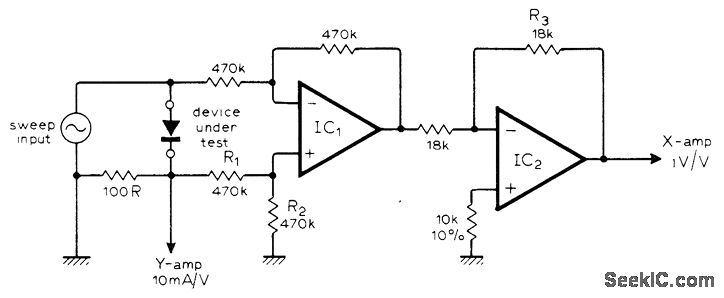
Circuit is designed to produce voltage-current characteristic curve of diode or other two-terminal device on oscilloscope. Sweep input can be any low-voltage AC source, such as 20-V Variac. Three-terminal devices may be traced if suitable external bias is provided. Opamps are 741.-S. Cahill, Diode Curve Tracer for Oscilloscope, Wireless World, Feb. 1976, p 76.
Reprinted Url Of This Article:
http://www.seekic.com/circuit_diagram/Basic_Circuit/DIODE_CURVE_TRACER.html
Print this Page | Comments | Reading(3)
Code: