Published:2009/7/16 1:52:00 Author:Jessie | From:SeekIC



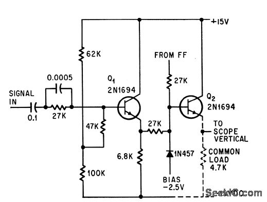
Input signal from ring counter applies reverse bias through isolating transistor Q1 to diode gate and base of Q2, which then supplies current to common load of multichannel scope display.-J. E. Russell, Ten Signals at a Glance, Electronics, 37:19, p 54.
Reprinted Url Of This Article:
http://www.seekic.com/circuit_diagram/Basic_Circuit/DIODE_GATE.html
Print this Page | Comments | Reading(3)
Code: