Published:2009/7/1 20:14:00 Author:May | From:SeekIC

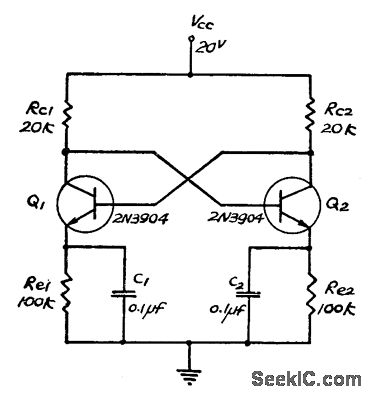
Collectors and bases of both emitter-biased transistors are directly coupled to each other. Switching action takes place by means of capacitor in each emitter circuit. Triangle waves are generated at emitters. Neither transistor can remain permanently cut off. Instead, circuit has two quasi-states, with switching action achieved by charging and discharging capacitor between these states. Single 0.1-μF capacitor can be used between emitters in place of C1 and C2.-S. Chang, Two New Direct-Coupled Astable Multivibrators, Proceedings of the IEEE, March 1973, p 390-391.
Reprinted Url Of This Article:
http://www.seekic.com/circuit_diagram/Basic_Circuit/DIRECT_COUPLED_ASTABLE.html
Print this Page | Comments | Reading(3)
Code: