Published:2009/7/14 21:20:00 Author:May | From:SeekIC

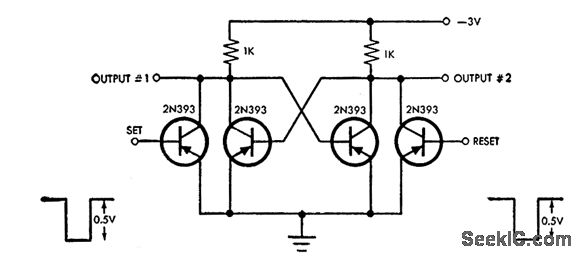
Typical switching times are 12 millimicrosec for tr and 15 millimicrosec for tf. -Philco MAT Transistors for Logic Circuits up to 5 Mc (Philco ad), Electronics, 33:17, p 50.
Reprinted Url Of This Article:
http://www.seekic.com/circuit_diagram/Basic_Circuit/DIRECT_COUPLED_FLIP_FLOP.html
Print this Page | Comments | Reading(3)
Code: