Published:2009/7/6 3:17:00 Author:May | From:SeekIC

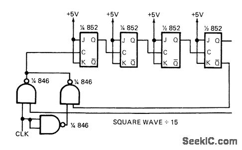
Input clock is altemately inverted and noninverted by gates operating in coniunction with 4 bits of storage using 852 JK flip-flops, to give square-wave output at 1/15 of clock frequency.-C. W. Hardy, Reader Responds to Odd Modulo Divider in July 1st EDN, EDN Magazine, Oct, 1, 1972, p 50.
Reprinted Url Of This Article:
http://www.seekic.com/circuit_diagram/Basic_Circuit/DIVIDE_BY_15.html
Print this Page | Comments | Reading(3)
Code: