Published:2009/7/14 21:28:00 Author:May | From:SeekIC

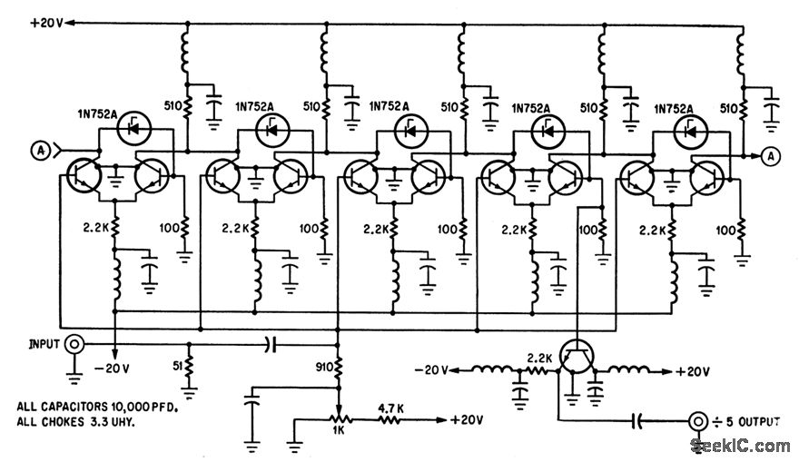
Each stage acts as nonsaturating current-mode switch. Two identical counters are cascaded in uhf prescaler of frequency synthesizer for military uhf transceiver .-L. F. Blachowicz , Dial any Channel to 500 Mhz, Electronics, 39:9, p 60-69.
Reprinted Url Of This Article:
http://www.seekic.com/circuit_diagram/Basic_Circuit/DIVIDE_BY_5_RING_COUNTER.html
Print this Page | Comments | Reading(3)
Code: