Published:2009/7/6 3:01:00 Author:May | From:SeekIC

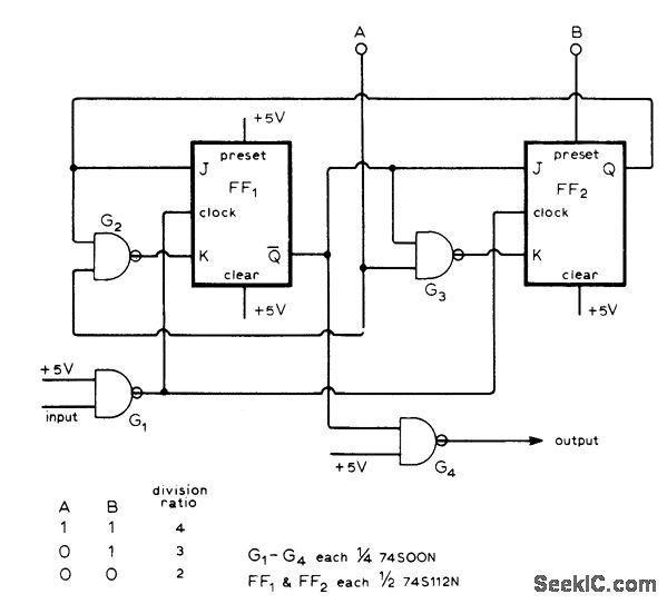
Division ratio is controlled externally by making control terminals A and B high (1) or low (0), as given in table. Developed for use in receiver requiring local oscillator covering 10 to 30 MHz. Counter simplifies tuner design.-C. Attenborough, Fast Modulo-3 Counter, Wireless World, Aug. 1976,p 52.
Reprinted Url Of This Article:
http://www.seekic.com/circuit_diagram/Basic_Circuit/DIVIDING_40_60_MHz_BY_2_3_OR_4.html
Print this Page | Comments | Reading(3)
Code: