Published:2009/7/8 22:53:00 Author:May | From:SeekIC

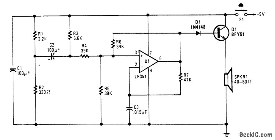
An LF357 functions as a swept-tone oscillator, driving Q1 and SPKRl. A 9-Vdc supply is required.
Reprinted Url Of This Article:
http://www.seekic.com/circuit_diagram/Basic_Circuit/DOOR_BUZZER.html
Print this Page | Comments | Reading(3)
Code: