Published:2009/7/10 5:26:00 Author:May | From:SeekIC

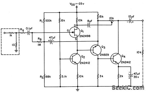
Both drain and source are bootstrapped in 6-db high-input-impedance amplifier, to reduce effect of fet capacitances so they are insignificant compared to stray circuit capacitances at input terminal. 10-K pot provides gain compensation adiustment.-L. J. Sevin, Jr., Field-Effect Transistors, McGraw-Hill, N.Y., 1965, p 69.
Reprinted Url Of This Article:
http://www.seekic.com/circuit_diagram/Basic_Circuit/DOUBLE_BOOTSTRAPPED_FET.html
Print this Page | Comments | Reading(3)
Code: